|
ツイート |
先日富士フィルム製ミラーレスデジタルカメラX-M1を入手しました。
しかし、これのレリーズ端子がmicroUSBのみとなっており、手持ちのφ2.5mmステレオプラグ端子のレリーズがつかません。
そこで、φ2.5mmステレオプラグを持つレリーズをX-M1のmicroUSB端子で使えるよう変換アダプターを作成しました。
なおこのドキュメントの内容は無保証ですので、あらかじめご留意ください。
今回のアダプタの仕様は以下の通りとしました。
・φ2.5ステレオ端子のレリーズが使えるよう、φ2.5ステレオジャックをつける。
・microUSB側は直接MicroUSB(B)オスのケーブルを用い、配線を直付けする。
・純正品と同じ(と思われる)以下の挙動をする。
・X-M1本体にレリーズ装着で、本体シャッターボタン無効。
・レリーズ半押しでフォーカス動作
・レリーズ全押しでシャッターON
| 記号 | 名称 | メーカー | 品番 | 数量 |
|---|---|---|---|---|
| J1 | φ2.5ステレオジャック | マル信無線電機 | MJ-071H | 1 |
| R1 | 抵抗 | - | 22kΩ | 1 |
| R2 | 抵抗 | - | 50kΩ | 1 |
| - | MicroUSB延長ケーブル | カモン | MBE-10 | 1 |
| - | ケース | - | (百均品) | 1 |
MicroUSBのIDラインを使いますので、MicroUSB延長ケーブルは全結線品を選ぶようにします。
電源供給だけの目的やUSBデバイスとしての目的のものではこの線が無い場合がありますので、注意が必要です。
ちなみに最初に作製したものは抵抗R1を10KΩとしており、手持ちの機材での動作も問題ありませんでした。
その後、純正リモートレリーズRR-90での抵抗値を参考に、より純正品に近づけるためR1の抵抗値を22KΩに変更しました。
以下が完成品です。

以下を確認しました。
・X-M1本体にレリーズ装着で、本体シャッターボタン無効。 → OK
・レリーズ半押しでフォーカス動作 → OK(本体のLED緑点滅)
・レリーズ全押しでシャッターON → OK
手持ちの機械接点のレリーズ、タイマーレリーズともにうまく動作しました。
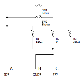
参考:純正リモートレリーズ RR-90の回路図(想定)

こちらの記事を参考にしました。
基板から3本出ているのですが1本がどこにつながっているか不明です....。